山東萬象環境科技有限公司
聯系人:毛經理
銷售電話:15666889815
銷售QQ:1950883583
公司地址:山東省濰坊高新區新城街道玉清社區光電路155號濰坊高新區光電產業加速器(一期)1號樓301

聯系人:毛經理
銷售電話:15666889815
銷售QQ:1950883583
公司地址:山東省濰坊高新區新城街道玉清社區光電路155號濰坊高新區光電產業加速器(一期)1號樓301

一、漂浮式水質自動監測站產品簡介
漂浮式水質自動監測站又稱水質浮標站,漂浮水質監測站,漂浮式水質自動監測站采用360°圓形平臺,水下搭載營養鹽、ADCP和多數水質傳感器,水上可安裝多參數氣象、GPRS通信等系統,能夠實時監測水環境中水質的情況,為水環境保護提供有效監測
1.水質浮漂監測站SFA集數據采集、存儲、傳輸和管理于一體的無人值守的采集系統。它在工農業生產、旅游、城市環境監測、地質災害、防洪、供水調度、電站水庫水情管理等為目的水文自動測報系統;功能強大的上位機軟件可遠程觀測實時水雨情信息,具有數據庫、報表、下載等功能,用戶還可利用該功能完善的氣象軟件對記錄的數據作進一步的處理分析。
2.SFA06款浮標是由水質傳感器(水溫、電導率、PH、溶解氧、氨氮、濁度)、數據采集儀、通訊系統、供電系統、整體 支架、水質監測平臺六部分組成。同時可擴展COD、葉綠素、懸浮物等多項水質要素。數據采集儀具有數 據采集、實時時鐘、數據定時存儲、參數設定和標準2G/4G(GPRS)通信功能。
二、漂浮式水質自動監測站產品特點
1.易部署:各類型探頭進行高度集成,安裝方便;提供免費云平臺服務,系統快速上線;
2.易維護:設備安裝后,自行工作即可,無需人工值守,也可以通過遠程監控的方式保障設備的正常運行;
3.易擴展:傳感器探頭均使用統一的通信協議,可以快速對接原設備,快速擴展監測參數;
4.低功耗:設備可以實現低功耗狀態下,長時間運行,增加設備使用的便利性;
5.實時性:設備監測到的數據實時傳輸至云平臺,提升環境數據反饋的及時性。
三、技術參數
1. 主體參數
| 產品名稱 | 描述 |
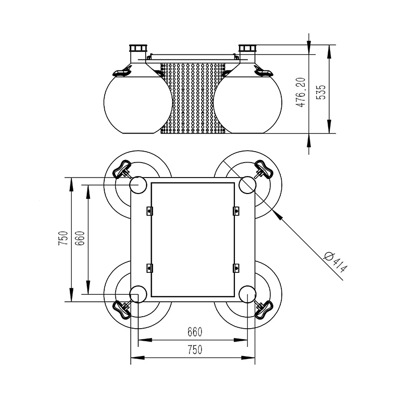
| 環境水質監測浮標 | 可實時實現多路參數在線監測。可實現電池電量監控。可實現云平臺數據監控、數據推送、數據的存儲和報警功能;數據的無線發射功能。峰值功耗為 5W;傳感器功耗 0.25W左右/只。外形尺寸:750mm*750mm*535mm。浮球直徑414mm重量:22kg |
| 采集器數據采集 | 運行可靠,抗干擾,可集成多路RS485/MODBUS-RTU從站設備 |
| 采集器數據輸出 | 1 路 Rs485/JSON協議輸出 |
| 電池 | 鋰電池 12VDC,20AH(默認) |
| 太陽能電池板 | 22.1V/50W(默認) |
| 供電能力 | 定制選型;陰雨天間歇工作 5天以上 |
| 位置指示(選配) | 警示燈;GPS 定位; |
| 監測平臺 | 云平臺;手機/電腦多終端登錄 |
| 防護罩 | 304 不銹鋼濾筒防護罩 |
| 浮體 | 直徑414mm 球形浮體*4工程塑料 |
2.可選配傳感器的主要參數
| 序號 | 名稱 | 測量范圍 | 測量原理 | 測量精度 | 是否標配 | 備注 |
| 1 | 溫度 | 0~50℃ | 高精度數字傳感器 | ±0.3℃ | ? | |
| 2 | pH | 0~14(ph) | 電化學(鹽橋) | ± 0.1PH | ? | |
| 3 | ORP | -1500mv~1500mv | 電化學(鹽橋) | ± 6mv | ||
| 4 | 電導率 | 0~5000uS/cm | 接觸式電極法 | ± 1.5% | ? | |
| 5 | 濁度 | 0~40NTU(低濁) | 散射光法 | ± 1% | 低濁可定制 | |
| 0~1000NTU(中濁) | 散射光法 | ± 1% | 中濁可定制 | |||
| 0~3000NTU(高濁) | 散射光法 | ± 1% | ? | 默認發 | ||
| 6 | 溶解氧 | 0~20mg/L | 熒光壽命法 | ± 2% | ? | |
| 7 | 氨氮 | 0-1000.00mg/L(默認) 0-100.00mg/l/(可定制) | 離子選擇電極法 | 讀數的10%, ±0.5℃ | ? | |
| 8 | cod | 0~500mg/ L | UV254 吸收法 | ±5% | 默認發、cod濁度一體;帶有自動清潔器,可防止生物附著,避免光窗污染,以保證長期監測依然具有穩定性;可設置自動清潔時間及清潔次數,功耗0.7W | |
| 濁度 | 0~400NTU | 散射光法 | ± 1% | |||
| 9 | 懸浮物 | 0~2000mg/L | 散射光法 | ±5%(取決于污泥同質性) | ||
| 10 | 葉綠素 | 0~400ug/L | 熒光法 | R2>0.999 | 帶有自動清潔器,可防止生物附著,避免光窗污染,以保證長期監測依然具有穩定性;可設置自動清潔時間及清潔次數,功耗0.7W |
四、產品尺寸圖

五、設備安裝要求
1.遠離大功率無線電發射源
2.遠離高壓輸電線和微波無線電傳送通道
3.盡量靠近數據傳輸網絡
4.遠離強電磁干擾
六、云平臺介紹
1.CS架構軟件平臺,支持手機、PC瀏覽器直接觀測.無需額外安裝軟件。
2.支持多帳號、多設備登錄
3.支持實時數據展示與歷史數據展示儀表板
4.云服務器.云數據存儲,穩定可靠,易于擴展,負載均衡。
5.支持短信報警及閾值設置
6.支持地圖顯示、查看設備信息。
7.支持數據曲線分析
8.支持數據導出表格形式
9.支持數據轉發,HJ-212協議,TCP轉發,http協議等。
10.支持數據后處理功能
11.支持外置運行javascript腳本
想象一下,在指尖輕觸之間,就能瞬間獲取到水體的PH酸堿度、電導率反映的溶解性固體含量以及實時水溫信息,這一切的便捷與高效,都得益于WX-QSZ03多參數水質分析儀的誕生。這款高科技設備,通過先進的傳感器技術和智能算法,實現了對水質關鍵指標的快速、準確測量。PH值是衡量水體酸堿性的重要指標,直接關系到水的適用性和生物活性。...
WX-QSZ1取水水質監測微系統是一種集成了先進傳感器、數據處理技術與遠程監控功能的智能化設備。它不同于傳統的人工采樣、實驗室分析模式,而是直接將監測點設置在取水源頭或關鍵節點,通過內置的高精度傳感器,24小時不間斷地監測水中的各項指標,如PH、溫度、濁度、電導率、溶解氧、COD、氨氮、懸浮物、總氮等,確保數據的實時性和準確性。...
WX-SW2水雨情在線監測站的核心價值,在于實現了水雨情的實時感知與主動預警。過去,水雨情監測多依賴人工定時巡查與數據記錄,不僅效率低下,還容易因監測時段間隔、惡劣天氣影響出現數據斷層,難以精準捕捉洪澇、干旱等風險的萌芽信號。而這款監測站能全天候不間斷監測水雨情變化,在數據出現異常時及時發出預警,讓管理部門有充足時間部署防控措施,從源頭降低災害損失。...
WX-LSZ03在線立桿水質監測系統的獨特之處在于它的"立桿式"設計理念。不同于需要建設站房的傳統監測點,它將精密傳感器集成在垂直立柱上,既節省了岸邊空間,又能讓探頭始終處于最佳監測位置。就像給河流裝上了"聽診器",水體的溫度變化、酸堿波動、溶解物質增減等生命體征,都被轉化為連續的數據流,實時傳輸至云端平臺。無論是清晨的第一次漲潮,還是暴雨后的渾濁水流,每個重要時刻的水質變化都被忠實記錄。...
WX-SFA06漂浮式水質自動監測站能夠24小時不間斷地對水質進行實時監測,這是其最顯著的優勢之一。通過高精度傳感器,監測站能夠實時測量水體中的溶解氧、pH值、濁度、溫度、氨氮、總磷等關鍵水質指標。這些數據對于評估水質狀況、預測水質變化趨勢具有重要意義。而且,由于監測站能夠實時采集數據,避免了人工采樣可能帶來的誤差,提高了數據的準確性和可靠性。...
WX-ZS8熒光法溶解氧在線分析儀最引人注目的特點是它的"非侵入式"監測原理。不同于傳統電極需要頻繁校準和維護,它采用特殊的熒光物質作為感應介質。當特定波長的光照射到傳感器表面時,水中的氧氣分子會與熒光物質發生微妙的作用,改變熒光的特性。這種變化被精密的檢測系統捕捉并轉化為溶解氧濃度數據,整個過程快速而優雅。...